• Snabba leveranser
  • Teknisk Support
  • Brett Sortiment
Favoriter Registrera kundkonto Logga In Kontakta oss
P
M
K
S

Kennametal

Artikelnr: 200C11RS90SD12DG

ISO-FACE MILL KSSM90 D=200 Z=
Logga in för pris

Har du inte redan ett konto? Ansök om kundkonto

  • Beskrivning
  • Specifikation
    Nominell diameter, Ø 200
    Diameter, D1 200
    Max skärdjup, Ap1 max 9.1
    Ställvinkel, Kr 90
    Antal skär, Z 11
    Antal effektiva skär, ZU 11
    Valsfräs (ZU<Z) Nej
    Diameter, D 60
    Diameter, D4 101.6
    Diameter, D6 130
    Längd, L 63
    Längd, L1 63
    Max varvtal, max RPM 10300
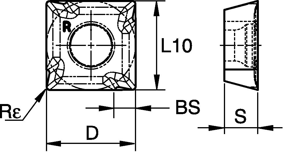
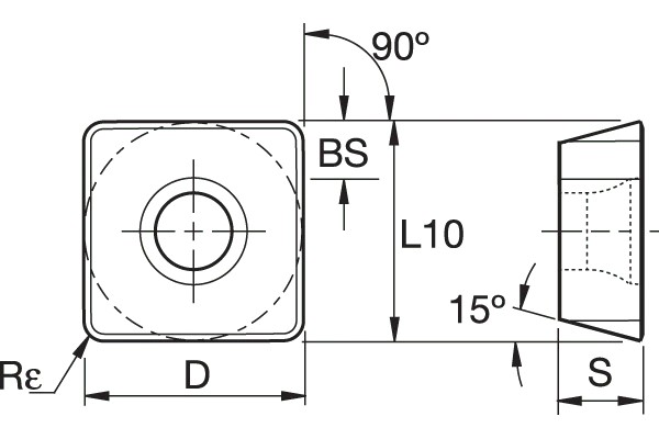
    Skärformat (Produktfamilj) SD..1204.. (KSSM 90°)
    Rotationsriktning R - Höger
    Skaft/Adapter, typ Fräsdorn
    Invändig kylning/ Kylkanal Nej
    Produktfamilj KSSM 90°
    Artikelnummer 200C11RS90SD12DG
    Beställningsnummer 1926942