• Snabba leveranser
  • Teknisk Support
  • Brett Sortiment
Favoriter Registrera kundkonto Logga In Kontakta oss
K

Kennametal

Artikelnr: SDCW1204..PDSRGNKY3500

  • Heavy machining.
  • Precision ground.
  • 0° rake face flat top.
  • Four cutting edges.

.S..GN • CHERAMIC FOR CAST IRON
Logga in för pris

Har du inte redan ett konto? Ansök om kundkonto

  • Beskrivning
    • Heavy machining.
    • Precision ground.
    • 0° rake face flat top.
    • Four cutting edges.
  • Specifikation
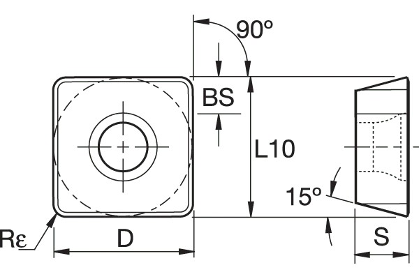
    Idealisk medelspåntjocklek, hm 0.02
    Skärformat (Produktfamilj) SD..1204.. (KSSM 90°)
    Storlek, D (IC) 12.7
    Längd, L10 12.7
    Tjocklek, S/T 4.76
    Rotationsriktning R - Höger
    Geometri .S..GN
    Sort KY3500
    Sort, beskrivning Fin till generell bearbetning i gråjärn och segjärn. Rekommenderas utan skärvätska.
    ISO-område - applikation K20-35
    Beläggningsmetod Obelagd
    Beläggning Obelagd
    Skärmaterial Keramik
    Direktpressat / precisionsslipat Precisionsslipat
    Enkelsidigt/dubbelsidigt Enkelsidigt med geometri
    Antal skäreggar 4 st
    Produktfamilj KSSM 90°