• Snabba leveranser
  • Teknisk Support
  • Brett Sortiment
Favoriter Registrera kundkonto Logga In Kontakta oss
P
M
S

Kennametal

Artikelnr: DFPR040204LCO..

  • Fyra skäreggar för lägsta kostnad per hål.
  • Wiperfasett för bästa ytfinhet i hålets yta.

Yttre • LC
Logga in för pris

Har du inte redan ett konto? Ansök om kundkonto

  • Beskrivning
    • Fyra skäreggar för lägsta kostnad per hål.
    • Wiperfasett för bästa ytfinhet i hålets yta.
  • Specifikation
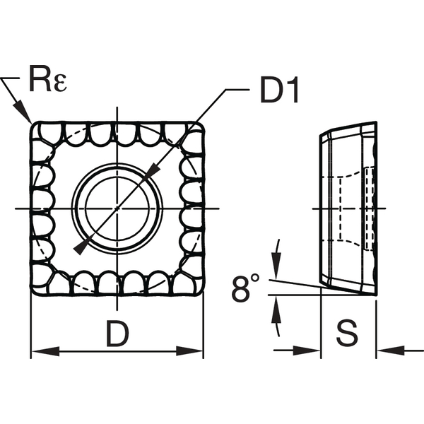
    Diameter, D1 2.13
    Storlek, D (IC) 4.6
    Tjocklek, S 2.0
    Hörnradie, Rε 0.4
    Format, skär DFPR0402..O
    Geometri LC
    Geometri, beskrivning "Long Chipping" är en geometri för extra bra spånbrytning i långspånande material
    Skärmaterial Hårdmetall
    Antal skäreggar 4 st
    Produktfamilj Drill Fix PRO