• Snabba leveranser
  • Teknisk Support
  • Brett Sortiment
Favoriter Registrera kundkonto Logga In Kontakta oss
P
M
K
S

WIDIA

Artikelnr: SDMX150612RMMTN6540

  • First choice for general machining in all materials.
  • Geometry designed to provide protection and soft cutting.

.S.MM • GENERAL PURPOSE
EAN-kod:: 4021169677755
Antal i förpackning: 5 st
Logga in för pris

Har du inte redan ett konto? Ansök om kundkonto

  • Beskrivning
    • First choice for general machining in all materials.
    • Geometry designed to provide protection and soft cutting.

  • Specifikation
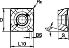
    Radie, Rε/R/RC 1.2
    Skärformat (Produktfamilj) SD..1506.. (M690 Series)
    Storlek, D (IC) 15.88
    Längd, L10 15.88
    Tjocklek, S/T 6.35
    Sort TN6540
    Sort, beskrivning Universell tuff sort för grovfräsning i stål, rostfritt stål och gjutjärn. Kan även vara ett bra alternativ i superlegeringar. Med eller utan skärvätska.
    ISO-område - applikation P40
    Beläggningsmetod TiAlN
    Beläggning PVD
    Skärmaterial Hårdmetall
    Direktpressat / precisionsslipat Direktpressat
    Artikelnummer SDMX150612RMMTN6540
    Beställningsnummer 3949807