• Snabba leveranser
  • Teknisk Support
  • Brett Sortiment
Favoriter Registrera kundkonto Logga In Kontakta oss
P
M
K
S
H

Kennametal

Artikelnr: OFKT06L5AFSNHB..

  •  First choice for heavy roughing.
     

.S..HB • HEAVY ROUGHING
Logga in för pris

Har du inte redan ett konto? Ansök om kundkonto

  • Beskrivning
    •  First choice for heavy roughing.
       
  • Specifikation
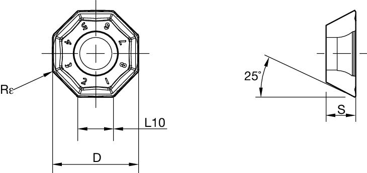
    Idealisk medelspåntjocklek, hm 0.21
    Radie, Rε/R/RC 0.8
    Skärformat (Produktfamilj) OF..T06.. (KSOM Mini)
    Storlek, D (IC) 14.7
    Längd, L10 6
    Tjocklek, S/T 5
    Rotationsriktning N - Neutral
    Geometri .S..HB
    Skärmaterial Hårdmetall
    Direktpressat / precisionsslipat Precisionsslipat
    Enkelsidigt/dubbelsidigt Enkelsidigt med geometri
    Antal skäreggar 8 st
    Produktfamilj KSOM Mini