• Snabba leveranser
  • Teknisk Support
  • Brett Sortiment
Favoriter Registrera kundkonto Logga In Kontakta oss

Kennametal

Artikelnr: SSBCR2525M12

S Clamping Holder W25.0mm L15
Logga in för pris

Har du inte redan ett konto? Ansök om kundkonto

  • Beskrivning
  • Specifikation
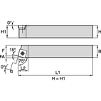
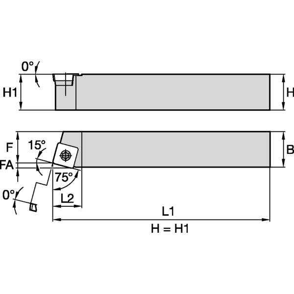
    Utförande/fattning R - Right
    Ställvinkel, Kr 75
    Låsning av skär, design S - Skärskruv
    Skafttyp/Adapter Fyrkantsskaft
    Höjd, H 25
    Bredd, B 25
    Höjd, H1 25
    Längd, F 22
    Längd, FA 3.1
    Längd, L 150
    Längd, L1 150
    Längd, LH 21
    Vinkel, γO°
    Format, skär SC..1204..
    Invändig kylning/ Kylkanal NEJ
    Skärskruv, nyckelgrepp Torx 15
    Produktfamilj Screw-On • For Positive Style Inserts
    Artikelnummer SSBCR2525M12
    Beställningsnummer 1097867