• Snabba leveranser
  • Teknisk Support
  • Brett Sortiment
Favoriter Registrera kundkonto Logga In Kontakta oss

Kennametal

Artikelnr: SVABR1616K16Q

S Clamping Holder W16.0mm L12
Logga in för pris

Har du inte redan ett konto? Ansök om kundkonto

  • Beskrivning
  • Specifikation
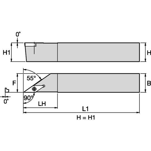
    Utförande/fattning R - Right
    Ställvinkel, Kr 90
    Låsning av skär, design S - Skärskruv
    Skafttyp/Adapter Fyrkantsskaft
    Höjd, H 16
    Bredd, B 16
    Höjd, H1 16
    Längd, F 16
    Längd, L 125
    Längd, L1 125
    Längd, LH 30
    Vinkel, γO°
    Format, skär VB..1604..
    Invändig kylning/ Kylkanal NEJ
    Skärskruv, nyckelgrepp Torx 15
    Produktfamilj Screw-On • For Positive Style Inserts
    Artikelnummer SVABR1616K16Q
    Beställningsnummer 1097726