• Snabba leveranser
  • Teknisk Support
  • Brett Sortiment
Favoriter Registrera kundkonto Logga In Kontakta oss

Kennametal

Artikelnr: SCGCL1212N09

S Clamping Holder W12.0mm L16
Logga in för pris

Har du inte redan ett konto? Ansök om kundkonto

  • Beskrivning
  • Specifikation
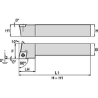
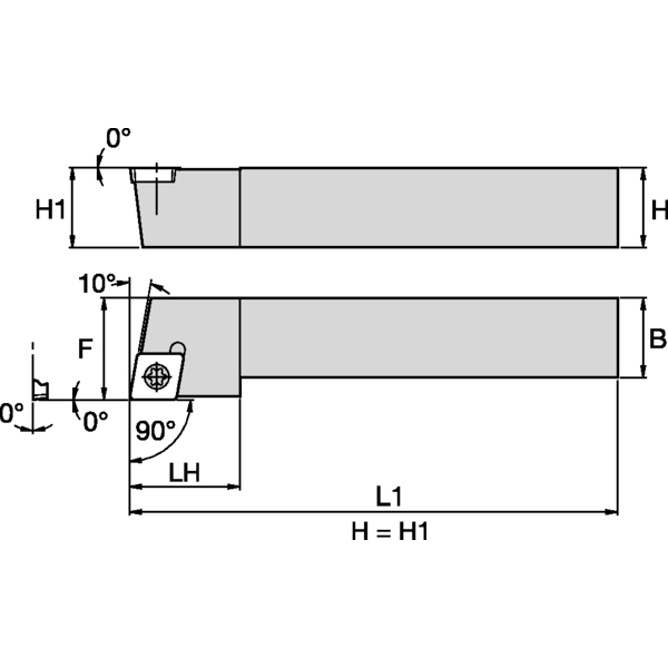
    Utförande/fattning L - Left
    Ställvinkel, Kr 90
    Låsning av skär, design S - Skärskruv
    Skafttyp/Adapter Fyrkantsskaft
    Höjd, H 12
    Bredd, B 12
    Höjd, H1 12
    Längd, F 16
    Längd, L 160
    Längd, L1 160
    Längd, LH 16
    Vinkel, γO°
    Format, skär CC..09T3..
    Invändig kylning/ Kylkanal NEJ
    Skärskruv, nyckelgrepp Torx 15
    Produktfamilj Screw-On • For Positive Style Inserts
    Artikelnummer SCGCL1212N09
    Beställningsnummer 1097970