• Snabba leveranser
  • Teknisk Support
  • Brett Sortiment
Favoriter Registrera kundkonto Logga In Kontakta oss

Kennametal

Artikelnr: SDPCN1212M11Q

S Clamping Holder W12.0mm L15
Logga in för pris

Har du inte redan ett konto? Ansök om kundkonto

  • Beskrivning
  • Specifikation
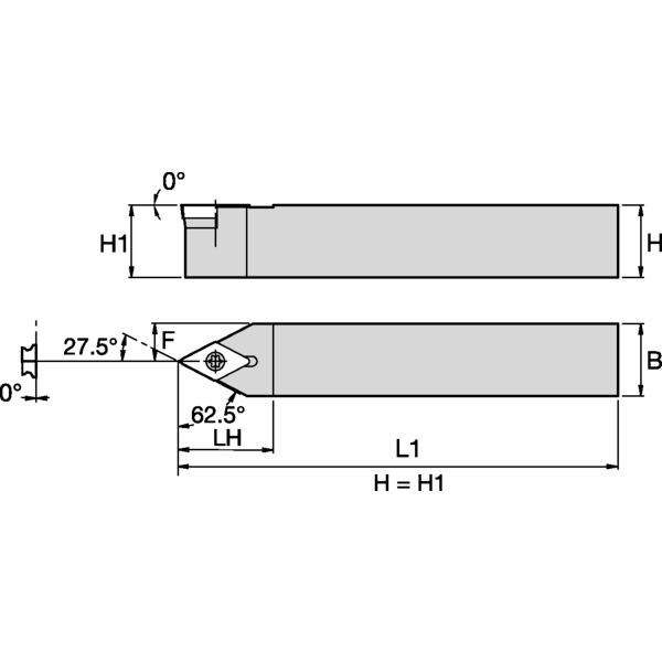
    Utförande/fattning N - Neutral
    Ställvinkel, Kr 62.5
    Låsning av skär, design S - Skärskruv
    Skafttyp/Adapter Fyrkantsskaft
    Höjd, H 12
    Bredd, B 12
    Höjd, H1 12
    Längd, F 6
    Längd, L 150
    Längd, L1 150
    Längd, LH 22
    Spånvinkel, γP°
    Lutningsvinkel, γF°
    Format, skär DC..11T3..
    Invändig kylning/ Kylkanal NEJ
    Skärskruv, nyckelgrepp Torx 15
    Produktfamilj Screw-On • For Positive Style Inserts
    Artikelnummer SDPCN1212M11Q
    Beställningsnummer 1772173