• Snabba leveranser
  • Teknisk Support
  • Brett Sortiment
Favoriter Registrera kundkonto Logga In Kontakta oss

Kennametal

Artikelnr: SCLCRF1212M06Q

S Clamping Holder W12.0mm L15
Logga in för pris

Har du inte redan ett konto? Ansök om kundkonto

  • Beskrivning
  • Specifikation
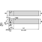
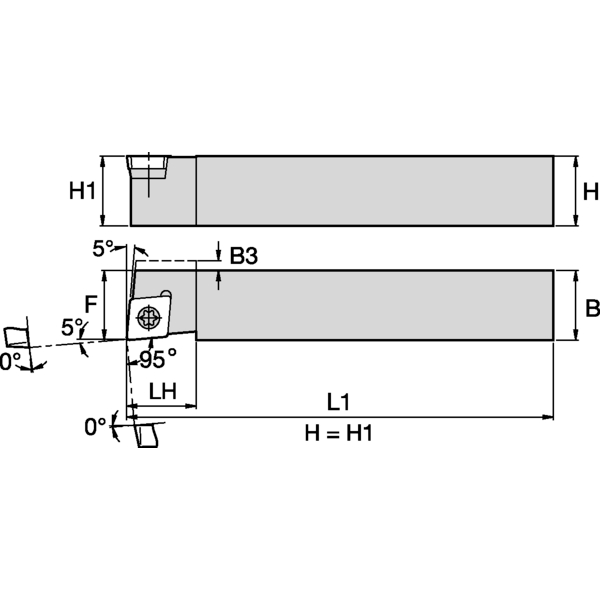
    Utförande/fattning R - Right
    Ställvinkel, Kr 95
    Låsning av skär, design S - Skärskruv
    Skafttyp/Adapter Fyrkantsskaft
    Höjd, H 12
    Bredd, B 12
    Höjd, H1 12
    Längd, F 12
    Längd, L 150
    Längd, L1 150
    Längd, LH 11
    Vinkel, γO°
    Format, skär CC..0602..
    Invändig kylning/ Kylkanal NEJ
    Skärskruv, nyckelgrepp Torx 7
    Produktfamilj Screw-On • For Positive Style Inserts
    Artikelnummer SCLCRF1212M06Q
    Beställningsnummer 1097813