• Snabba leveranser
  • Teknisk Support
  • Brett Sortiment
Favoriter Registrera kundkonto Logga In Kontakta oss
P
M
K
N
S

Kennametal

Artikelnr: KDR40Z05M16RN10

RODEKA IC10 D=40 Z=5 SCREW-ON
EAN-kod:: 4050839297290
Logga in för pris

Har du inte redan ett konto? Ansök om kundkonto

  • Beskrivning
  • Specifikation
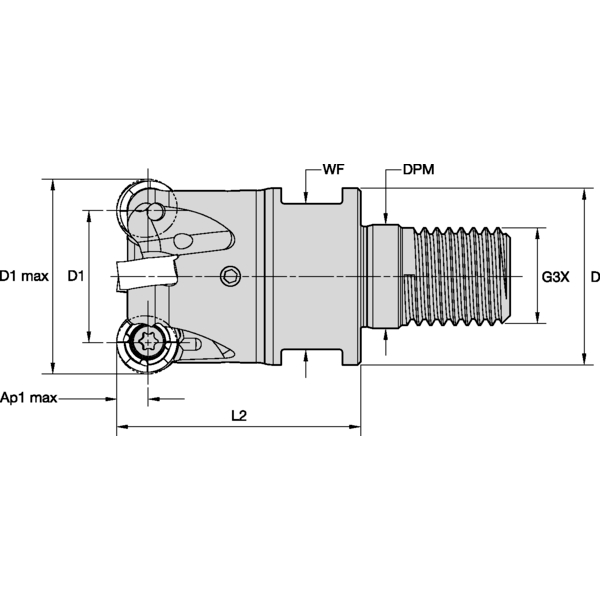
    Nominell diameter, Ø 40
    Diameter, D1 30
    Max diameter, D1 max 40
    Max skärdjup, Ap1 max 5
    Ställvinkel, Kr Radie
    Antal skär, Z 5
    Antal effektiva skär, ZU 5
    Valsfräs (ZU<Z) Nej
    Diameter, D 29
    Diameter, D2 36.7
    Diameter, DPM 17
    Längd, L1 40
    Längd, L2/LBX 40
    Max varvtal, max RPM 43200
    Skärformat (Produktfamilj) RN..J10T3M0.. (Rodeka Series)
    Max rampvinkel (°) 0.4
    Rotationsriktning R - Höger
    Skaft/Adapter, typ Fräsdorn, Screw-On
    Anslutning, G3X/CSMS M16
    Nyckelvidd, WF 24
    Invändig kylning/ Kylkanal Ja
    Produktfamilj Rodeka Series
    Artikelnummer KDR40Z05M16RN10
    Beställningsnummer 5152624