• Snabba leveranser
  • Teknisk Support
  • Brett Sortiment
Favoriter Registrera kundkonto Logga In Kontakta oss

Kennametal

Artikelnr: PSDNN3232P19

P Clamping Holder W32.0mm L17
Logga in för pris

Har du inte redan ett konto? Ansök om kundkonto

  • Beskrivning
  • Specifikation
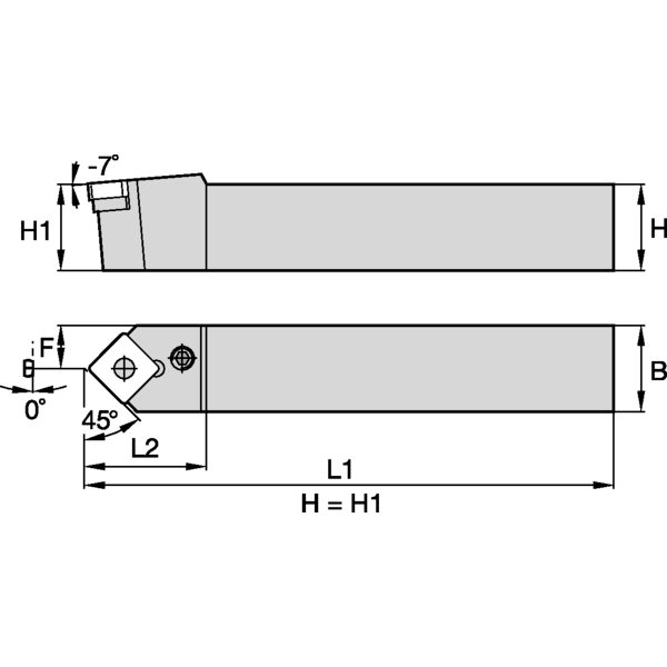
    Utförande/fattning N - Neutral
    Ställvinkel, Kr 45
    Låsning av skär, design P - Hävarm
    Skafttyp/Adapter Fyrkantsskaft
    Höjd, H 32
    Bredd, B 32
    Höjd, H1 32
    Längd, F 16
    Längd, L 170
    Längd, L1 170
    Längd, LH 40
    Spånvinkel, γP° -7°
    Lutningsvinkel, γF°
    Format, skär SN..1906..
    Invändig kylning/ Kylkanal NEJ
    Skärskruv, nyckelgrepp Torx 25 Plus
    Produktfamilj Kenlever™ • P-Style Clamping • For Negative Style Inserts
    Artikelnummer PSDNN3232P19
    Beställningsnummer 1244835