• Snabba leveranser
  • Teknisk Support
  • Brett Sortiment
Favoriter Registrera kundkonto Logga In Kontakta oss

Kennametal

Artikelnr: PSSNR3232P15

P Clamping Holder W32.0mm L17
Logga in för pris

Har du inte redan ett konto? Ansök om kundkonto

  • Beskrivning
  • Specifikation
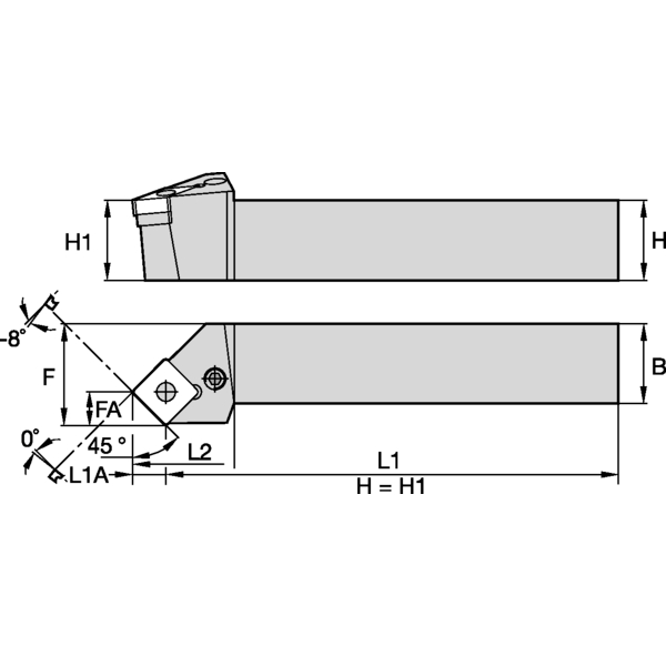
    Utförande/fattning R - Right
    Ställvinkel, Kr 45
    Låsning av skär, design P - Hävarm
    Skafttyp/Adapter Fyrkantsskaft
    Höjd, H 32
    Bredd, B 32
    Höjd, H1 32
    Höjd, H2 35.4
    Längd, F 40
    Längd, FA 10
    Längd, L 181.5
    Längd, L1 170
    Längd, L1A 11.5
    Längd, L1S 181.5
    Längd, LH 32
    Vinkel, γO° -8°
    Format, skär SN..1506..
    Invändig kylning/ Kylkanal NEJ
    Skärskruv, nyckelgrepp Torx 15 Plus
    Produktfamilj Kenlever™ • P-Style Clamping • For Negative Style Inserts
    Artikelnummer PSSNR3232P15
    Beställningsnummer 1244722