• Snabba leveranser
  • Teknisk Support
  • Brett Sortiment
Favoriter Registrera kundkonto Logga In Kontakta oss

Kennametal

Artikelnr: PCBNR2525M12

P Clamping Holder W25.0mm L15
Logga in för pris

Har du inte redan ett konto? Ansök om kundkonto

  • Beskrivning
  • Specifikation
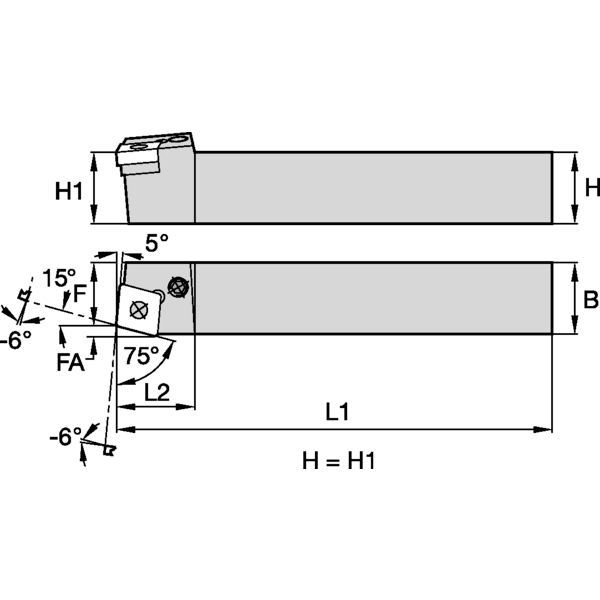
    Utförande/fattning R - Right
    Ställvinkel, Kr 75
    Låsning av skär, design P - Hävarm
    Skafttyp/Adapter Fyrkantsskaft
    Höjd, H 25
    Bredd, B 25
    Höjd, H1 25
    Längd, F 22
    Längd, FA 3.1
    Längd, L 150
    Längd, L1 150
    Längd, LH 26
    Vinkel, γO° -6°
    Format, skär CN..1204..
    Invändig kylning/ Kylkanal NEJ
    Skärskruv, nyckelgrepp Torx 15 Plus
    Produktfamilj Kenlever™ • P-Style Clamping • For Negative Style Inserts
    Artikelnummer PCBNR2525M12
    Beställningsnummer 1244779