• Snabba leveranser
  • Teknisk Support
  • Brett Sortiment
Favoriter Registrera kundkonto Logga In Kontakta oss

Kennametal

Artikelnr: KGMER2525M65

Modular Toolholder Size 65
Logga in för pris

Har du inte redan ett konto? Ansök om kundkonto

  • Beskrivning
  • Specifikation
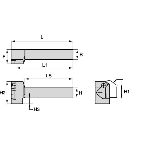
    Utförande/fattning R - Right
    Skafttyp/Adapter Fyrkantsskaft
    Höjd, H 25
    Bredd, B 25
    Höjd, H2 54
    Höjd, H3 14
    Längd, F 35
    Längd, L 150
    Längd, L1 138.2
    Modulstorlek, BSC 65
    Invändig kylning/ Kylkanal NEJ
    Produktfamilj A4™ • Double-Ended Grooving/Cut-Off
    Artikelnummer KGMER2525M65
    Beställningsnummer 3553453