• Snabba leveranser
  • Teknisk Support
  • Brett Sortiment
Favoriter Registrera kundkonto Logga In Kontakta oss
P
M
K
N
S
H

Kennametal

Artikelnr: 30E04R043M16SRD10

MODULAR MILLING TOOL
Logga in för pris

Har du inte redan ett konto? Ansök om kundkonto

  • Beskrivning
  • Specifikation
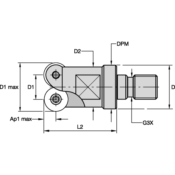
    Nominell diameter, Ø 30
    Diameter, D1 20
    Max diameter, D1 max 30
    Max skärdjup, Ap1 max 5
    Ställvinkel, Kr Radie
    Antal skär, Z 4
    Antal effektiva skär, ZU 4
    Valsfräs (ZU<Z) Nej
    Diameter, D 29
    Diameter, D2 25
    Diameter, DPM 17
    Längd, L 67.5
    Längd, L1 43
    Längd, L2/LBX 43
    Skärformat (Produktfamilj) RD..X1003M0.. (KDM Series)
    Max rampvinkel (°) 9
    Rotationsriktning R - Höger
    Skaft/Adapter, typ Fräsdorn, Screw-On
    Anslutning, G3X/CSMS M16
    Invändig kylning/ Kylkanal Nej
    Produktfamilj KDM Series
    Artikelnummer 30E04R043M16SRD10
    Beställningsnummer 1888418