• Snabba leveranser
  • Teknisk Support
  • Brett Sortiment
Favoriter Registrera kundkonto Logga In Kontakta oss
P
M
S

WIDIA

Artikelnr: MDHX09T308WP40PM

M900 INSERT
EAN-kod:: 4050841893930
Antal i förpackning: 5 st
Logga in för pris

Har du inte redan ett konto? Ansök om kundkonto

  • Beskrivning
  • Specifikation
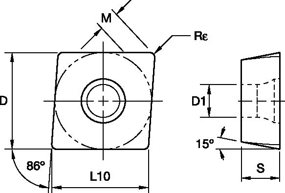
    Radie, Rε/R/RC 0.8
    Skärformat (Produktfamilj) MDHX09T3.. (M900 Series)
    Storlek, D (IC) 9.53
    Längd, L10 9.55
    Tjocklek, S/T 3.97
    Sort WP40PM
    Sort, beskrivning Seg och temperaturtålig sort för tuff bearbetning i stål och rostfritt stål. Även ett bra alternativ för superlegeringar. Med eller utan skärvätska.
    ISO-område - applikation P25-40 / M25-40
    Beläggningsmetod TiAlN-AlCrN
    Beläggning PVD
    Skärmaterial Hårdmetall
    Direktpressat / precisionsslipat Precisionsslipat
    Artikelnummer MDHX09T308WP40PM
    Beställningsnummer 5903704