• Snabba leveranser
  • Teknisk Support
  • Brett Sortiment
Favoriter Registrera kundkonto Logga In Kontakta oss

Kennametal

Artikelnr: MSSNR3232P19

M Clamping Holder W32.0mm L17
Logga in för pris

Har du inte redan ett konto? Ansök om kundkonto

  • Beskrivning
  • Specifikation
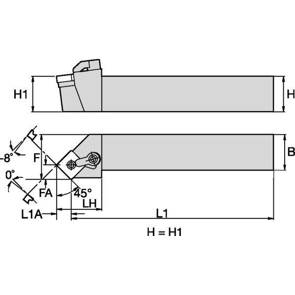
    Utförande/fattning R - Right
    Ställvinkel, Kr 45
    Låsning av skär, design M - Excenter och klamp (Kenloc)
    Skafttyp/Adapter Fyrkantsskaft
    Höjd, H 32
    Bredd, B 32
    Höjd, H1 32
    Höjd, H2 38.1
    Längd, F 40
    Längd, FA 12.5
    Längd, L 183.8
    Längd, L1 170
    Längd, L1A 13.8
    Längd, L1S 183.8
    Längd, LH 40
    Vinkel, γO° -8°
    Format, skär SN..1906..
    Invändig kylning/ Kylkanal NEJ
    Skärskruv, nyckelgrepp Insex 4mm
    Produktfamilj Kenloc™ • M-Style Clamping • For Negative Style Inserts
    Artikelnummer MSSNR3232P19
    Beställningsnummer 1102166