• Snabba leveranser
  • Teknisk Support
  • Brett Sortiment
Favoriter Registrera kundkonto Logga In Kontakta oss

Kennametal

Artikelnr: MWLNR3232P08

M Clamping Holder W32.0mm L17
Logga in för pris

Har du inte redan ett konto? Ansök om kundkonto

  • Beskrivning
  • Specifikation
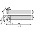
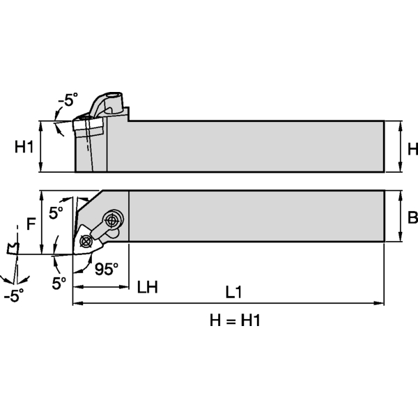
    Utförande/fattning R - Right
    Ställvinkel, Kr 95
    Låsning av skär, design M - Excenter och klamp (Kenloc)
    Skafttyp/Adapter Fyrkantsskaft
    Höjd, H 32
    Bredd, B 32
    Höjd, H1 32
    Längd, F 40
    Längd, L 170
    Längd, L1 170
    Längd, LH 32
    Vinkel, γO° -5°
    Format, skär WN..0804..
    Invändig kylning/ Kylkanal NEJ
    Skärskruv, nyckelgrepp Insex 2.5mm
    Produktfamilj Kenloc™ • M-Style Clamping • For Negative Style Inserts
    Artikelnummer MWLNR3232P08
    Beställningsnummer 3612259