• Snabba leveranser
  • Teknisk Support
  • Brett Sortiment
Favoriter Registrera kundkonto Logga In Kontakta oss

Kennametal

Artikelnr: MTENNS3225P22

M Clamping Holder W25.0mm L17
Logga in för pris

Har du inte redan ett konto? Ansök om kundkonto

  • Beskrivning
  • Specifikation
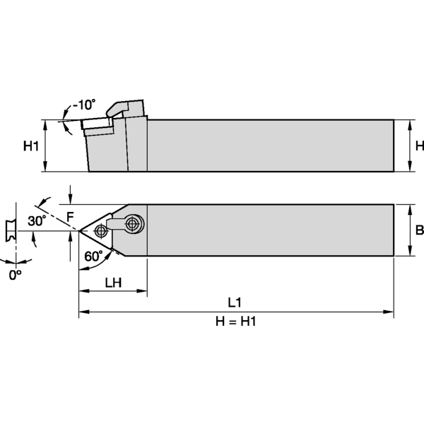
    Utförande/fattning N - Neutral
    Ställvinkel, Kr 60
    Låsning av skär, design M - Excenter och klamp (Kenloc)
    Skafttyp/Adapter Fyrkantsskaft
    Höjd, H 32
    Bredd, B 25
    Höjd, H1 32
    Höjd, H2 46.3
    Längd, F 12.3
    Längd, L 170
    Längd, L1 170
    Längd, LH 35
    Spånvinkel, γP° -10°
    Lutningsvinkel, γF°
    Format, skär TN..2204..
    Invändig kylning/ Kylkanal NEJ
    Skärskruv, nyckelgrepp Insex 4mm
    Produktfamilj Kenloc™ • M-Style Clamping • For Negative Style Inserts
    Artikelnummer MTENNS3225P22
    Beställningsnummer 1102168