• Snabba leveranser
  • Teknisk Support
  • Brett Sortiment
Favoriter Registrera kundkonto Logga In Kontakta oss

Kennametal

Artikelnr: MSZNR2525M12

M Clamping Holder W25.0mm L15
Logga in för pris

Har du inte redan ett konto? Ansök om kundkonto

  • Beskrivning
  • Specifikation
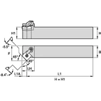
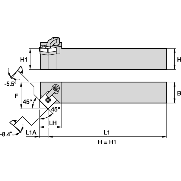
    Utförande/fattning R - Right
    Ställvinkel, Kr 45
    Låsning av skär, design M - Excenter och klamp (Kenloc)
    Skafttyp/Adapter Fyrkantsskaft
    Höjd, H 25
    Bredd, B 25
    Höjd, H1 25
    Längd, F 32
    Längd, L 150
    Längd, L1 141.5
    Längd, L1A 8.5
    Längd, L1S 150
    Längd, LH 25
    Vinkel, γO° -8,4°
    Format, skär SN..1204..
    Invändig kylning/ Kylkanal NEJ
    Skärskruv, nyckelgrepp Insex 3mm
    Produktfamilj Kenloc™ • M-Style Clamping • For Negative Style Inserts
    Artikelnummer MSZNR2525M12
    Beställningsnummer 1101884