• Snabba leveranser
  • Teknisk Support
  • Brett Sortiment
Favoriter Registrera kundkonto Logga In Kontakta oss

Kennametal

Artikelnr: MVONL2525M16

M Clamping Holder W25.0mm L15
Logga in för pris

Har du inte redan ett konto? Ansök om kundkonto

  • Beskrivning
  • Specifikation
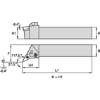
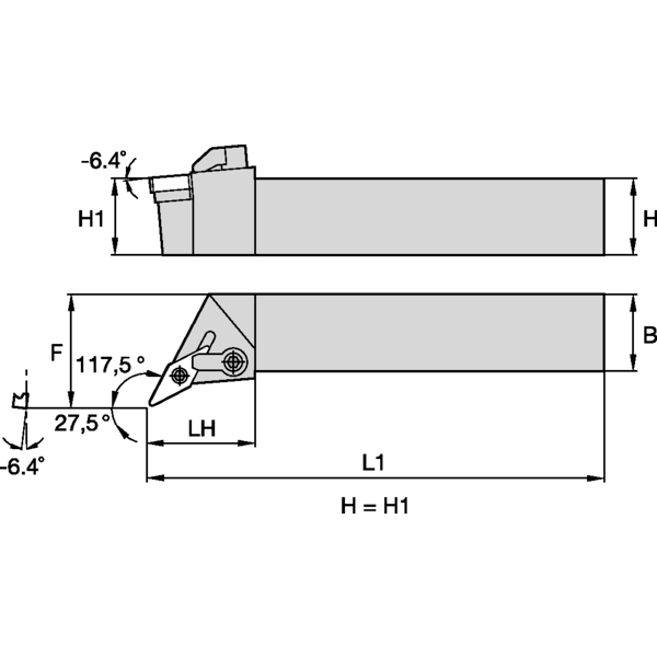
    Utförande/fattning L - Left
    Ställvinkel, Kr 117.5
    Låsning av skär, design M - Excenter och klamp (Kenloc)
    Skafttyp/Adapter Fyrkantsskaft
    Höjd, H 25
    Bredd, B 25
    Höjd, H1 25
    Längd, F 32
    Längd, L 150
    Längd, L1 150
    Längd, LH 30
    Spånvinkel, γP° -6,4°
    Lutningsvinkel, γF° -6,4°
    Format, skär VN..1604..
    Invändig kylning/ Kylkanal NEJ
    Skärskruv, nyckelgrepp Insex 2.5mm
    Produktfamilj Kenloc™ • M-Style Clamping • For Negative Style Inserts
    Artikelnummer MVONL2525M16
    Beställningsnummer 1102730