• Snabba leveranser
  • Teknisk Support
  • Brett Sortiment
Favoriter Registrera kundkonto Logga In Kontakta oss

Kennametal

Artikelnr: MVVNN2020K16

M Clamping Holder W20.0mm L12
Logga in för pris

Har du inte redan ett konto? Ansök om kundkonto

  • Beskrivning
  • Specifikation
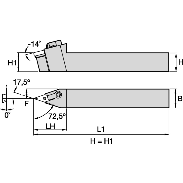
    Utförande/fattning N - Neutral
    Ställvinkel, Kr 72.5
    Låsning av skär, design M - Excenter och klamp (Kenloc)
    Skafttyp/Adapter Fyrkantsskaft
    Höjd, H 20
    Bredd, B 20
    Höjd, H1 20
    Höjd, H2 30
    Längd, F 10
    Längd, L 125
    Längd, L1 125
    Längd, LH 42
    Spånvinkel, γP° -14°
    Lutningsvinkel, γF°
    Format, skär VN..1604..
    Invändig kylning/ Kylkanal NEJ
    Skärskruv, nyckelgrepp Insex 3mm
    Produktfamilj Kenloc™ • M-Style Clamping • For Negative Style Inserts
    Artikelnummer MVVNN2020K16
    Beställningsnummer 1102720