• Snabba leveranser
  • Teknisk Support
  • Brett Sortiment
Favoriter Registrera kundkonto Logga In Kontakta oss
P
M
S

Kennametal

Artikelnr: SECW1404AEENGNWKC725M

KSSM 45 INSERT SECW-NGNW R=0.
Antal i förpackning: 5 st
Logga in för pris

Har du inte redan ett konto? Ansök om kundkonto

  • Beskrivning
  • Specifikation
    Idealisk medelspåntjocklek, hm 0.038
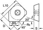
    Radie, Rε/R/RC 0.8
    Planfas, BS 8.263
    Skärformat (Produktfamilj) SE..T1404.. (KSSM 45°)
    Storlek, D (IC) 14
    Längd, L10 8.26
    Längd, LI 19.17
    Tjocklek, S/T 4.76
    Bredd, W 14
    Rotationsriktning N - Neutral
    Geometri .E..GNW
    Sort KC725M
    Sort, beskrivning Generell till grov bearbetning i stål, rostfritt stål och superlegeringar. Med eller utan skärvätska.
    ISO-område - applikation P30-40 / M30-40 / S30-40
    Beläggningsmetod PVD
    Beläggning TiAlN
    Skärmaterial Hårdmetall
    Direktpressat / precisionsslipat Precisionsslipat
    Enkelsidigt/dubbelsidigt Utan geometri
    Antal skäreggar 2 st
    Produktfamilj KSSM 45°
    Artikelnummer SECW1404AEENGNWKC725M
    Beställningsnummer 1990689