• Snabba leveranser
  • Teknisk Support
  • Brett Sortiment
Favoriter Registrera kundkonto Logga In Kontakta oss

Kennametal

Artikelnr: KM63TSHCTHT32080M

KM63TS HYDROFORCE HYD CHUCK D
EAN-kod:: 4050839844005
Logga in för pris

Har du inte redan ett konto? Ansök om kundkonto

  • Beskrivning
  • Specifikation
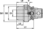
    Hylsa, typ 32MHC..
    Diameter, D1 32
    Diameter, D2 65
    Diameter, D21 80
    Längd, L1 80
    Längd, L2 31
    Längd, L21 80
    Längd, L9 51
    Justeringsvidd, V 10
    Nyckel till låsskruv 6 mm
    Produkttyp Fräschuck, hydraulisk typ High-Torque
    Genomgående kylning/kylkanal Ja
    Material Stål
    Max varvtal, RPM 25000
    Gränssnitt, riktning arbetsstycke CYL 32
    Gränssnitt, riktning maskin KM63TS
    Artikelnummer KM63TSHCTHT32080M
    Beställningsnummer 5520979