• Snabba leveranser
  • Teknisk Support
  • Brett Sortiment
Favoriter Registrera kundkonto Logga In Kontakta oss

Kennametal

Artikelnr: KM25A4ENN050930

KM25 A4 GROOVING UNIT
Logga in för pris

Har du inte redan ett konto? Ansök om kundkonto

  • Beskrivning
  • Specifikation
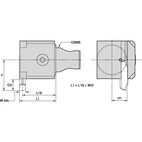
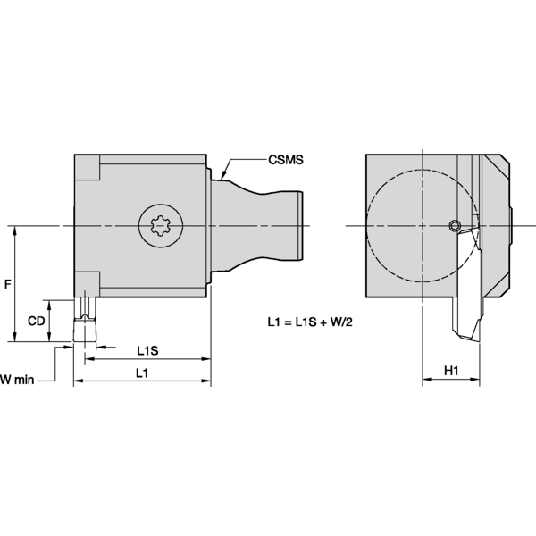
    Bredd, W 5.0-5.05
    Utförande/fattning N - Neutral
    Ställvinkel, Kr 90
    Minsta håldiameter, D min 120
    Låsning av skär, design Klämlåsning med skruv för spår/avstick
    Skafttyp/Adapter KM25
    Diameter, D 25
    Höjd, H1 12.5
    Max stickdjup, CD /t max 9
    Längd, F 25.3
    Längd, L 50
    Längd, L1 30
    Längd, L1A 2.5
    Längd, L1S 27.5
    Spånvinkel, γP°
    Lutningsvinkel, γF°
    Skärlägets storlek, SSC 5
    Format, skär A4..05..
    Invändig kylning/ Kylkanal NEJ
    Skärskruv, nyckelgrepp Torx 25 Plus
    Produktfamilj KM™ Mini
    Artikelnummer KM25A4ENN050930
    Beställningsnummer 2399471