• Snabba leveranser
  • Teknisk Support
  • Brett Sortiment
Favoriter Registrera kundkonto Logga In Kontakta oss
P
M
K
S
H

Kennametal

Artikelnr: SPCW120408T..

  • Flat top insert with strong cutting edge.

Insert • SPCW12-T • HEAVY MACHINING
Logga in för pris

Har du inte redan ett konto? Ansök om kundkonto

  • Beskrivning
    • Flat top insert with strong cutting edge.
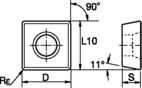
  • Specifikation
    Idealisk medelspåntjocklek, hm 0.165
    Hörndesign Hörnradie
    Radie, Rε/R/RC 0.8
    Skärformat (Produktfamilj) SP..1204.. (Fasfräs)
    Storlek, D (IC) 12.7
    Längd, L10 12.7
    Tjocklek, S/T 4.76
    Geometri SPCW-T
    Skärmaterial Hårdmetall
    Direktpressat / precisionsslipat Precisionsslipat
    Enkelsidigt/dubbelsidigt Enkelsidigt utan geometri
    Antal skäreggar 4 st
    Produktfamilj Fasfräsar