• Snabba leveranser
  • Teknisk Support
  • Brett Sortiment
Favoriter Registrera kundkonto Logga In Kontakta oss
P
M
S

Kennametal

Artikelnr: DFPR060304LCI..

Inre • LC
Logga in för pris

Har du inte redan ett konto? Ansök om kundkonto

  • Beskrivning
  • Specifikation
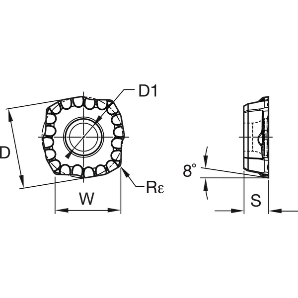
    Diameter, D1 2.54
    Storlek, D (IC) 6.5
    Bredd, W/W1 5.37
    Tjocklek, S 2.6
    Hörnradie, Rε 0.4
    Format, skär DFPR0603..I
    Geometri LC
    Geometri, beskrivning "Long Chipping" är en geometri för extra bra spånbrytning i långspånande material
    Skärmaterial Hårdmetall
    Antal skäreggar 4 st
    Produktfamilj Drill Fix PRO