• Snabba leveranser
  • Teknisk Support
  • Brett Sortiment
Favoriter Registrera kundkonto Logga In Kontakta oss
P
M
K
N
S

Kennametal

Artikelnr: HU8X080S12S32ZU5AP102Z50R

  • HARVI Ultra 8X helical milling cutters are designed to deliver the highest metal removal rates (MRR), especially in high-temperature alloys.
  • HU8X…..R cutters accommodate inserts in the lead row with corner radii of 6,4mm.

 

HU8X IC12 SM
EAN-kod:: 4059782461222
Logga in för pris

Har du inte redan ett konto? Ansök om kundkonto

  • Beskrivning
    • HARVI Ultra 8X helical milling cutters are designed to deliver the highest metal removal rates (MRR), especially in high-temperature alloys.
    • HU8X…..R cutters accommodate inserts in the lead row with corner radii of 6,4mm.

     

  • Specifikation
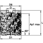
    Nominell diameter, Ø 80
    Diameter, D1 80
    Max skärdjup, Ap1 max 102.19
    Ställvinkel, Kr 90
    Antal skär, Z 50
    Antal effektiva skär, ZU 5
    Valsfräs (ZU<Z) Ja
    Diameter, D 32
    Diameter, D2 76.91
    Diameter, D6 77
    Längd, L 115
    Längd, L1 115
    Max varvtal, max RPM 12900
    Skärformat (Produktfamilj) SN..J1206.. (HARVI Ultra 8X)
    Rotationsriktning R - Höger
    Skaft/Adapter, typ Fräsdorn
    Invändig kylning/ Kylkanal Ja
    Produktfamilj HARVI Ultra 8X
    Artikelnummer HU8X080S12S32ZU5AP102Z50R
    Beställningsnummer 6423305