• Snabba leveranser
  • Teknisk Support
  • Brett Sortiment
Favoriter Registrera kundkonto Logga In Kontakta oss
N

Kennametal

Artikelnr: OFKT06L5AFENLBJKC422M

.E..LDJ • ALUMINUM MACHINING
Antal i förpackning: 5 st
Logga in för pris

Har du inte redan ett konto? Ansök om kundkonto

  • Beskrivning
  • Specifikation
    Idealisk medelspåntjocklek, hm 0.03
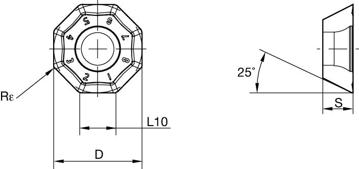
    Radie, Rε/R/RC 0.8
    Skärformat (Produktfamilj) OF..T06.. (KSOM Mini)
    Storlek, D (IC) 14.7
    Längd, L10 6
    Tjocklek, S/T 5
    Rotationsriktning N - Neutral
    Geometri .E..LBJ
    Sort KC422M
    Sort, beskrivning Generell till grov bearbetning i icke-järnhaltigt material. Med skärvätska.
    ISO-område - applikation N20-30
    Beläggningsmetod PVD
    Beläggning TiB2
    Skärmaterial Hårdmetall
    Direktpressat / precisionsslipat Precisionsslipat
    Enkelsidigt/dubbelsidigt Enkelsidigt med geometri
    Antal skäreggar 8 st
    Produktfamilj KSOM Mini
    Artikelnummer OFKT06L5AFENLBJKC422M
    Beställningsnummer 3767814