• Snabba leveranser
  • Teknisk Support
  • Brett Sortiment
Favoriter Registrera kundkonto Logga In Kontakta oss

Kennametal

Artikelnr: DCSNR2525M12KC04

D Clamping Holder W25.0mm L15
Logga in för pris

Har du inte redan ett konto? Ansök om kundkonto

  • Beskrivning
  • Specifikation
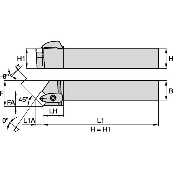
    Utförande/fattning R - Right
    Ställvinkel, Kr 45
    Låsning av skär, design D - Klamp (Kenclamp)
    Skafttyp/Adapter Fyrkantsskaft
    Höjd, H 25
    Bredd, B 25
    Höjd, H1 25
    Höjd, H2 29.5
    Längd, F 32
    Längd, FA 8.2
    Längd, L 158.5
    Längd, L1 150
    Längd, L1A 8.5
    Längd, L1S 158.5
    Längd, LH 35
    Vinkel, γO° -8°
    Format, skär CN..1204..
    Invändig kylning/ Kylkanal NEJ
    Skärskruv, nyckelgrepp Torx 15 Plus
    Produktfamilj Kenclamp™ • D-Style Clamping • For Negative Style Inserts
    Artikelnummer DCSNR2525M12KC04
    Beställningsnummer 2273102