• Snabba leveranser
  • Teknisk Support
  • Brett Sortiment
Favoriter Registrera kundkonto Logga In Kontakta oss

Kennametal

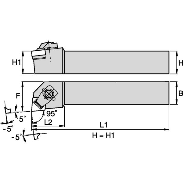
Artikelnr: CCLNR2525M12-MX7

C Clamping Holder W25.0mm
Logga in för pris

Har du inte redan ett konto? Ansök om kundkonto

  • Beskrivning
  • Specifikation
    Utförande/fattning R - Right
    Ställvinkel, Kr 95
    Låsning av skär, design C- Klamp för skär utan hål (Kendex)
    Skafttyp/Adapter Fyrkantsskaft
    Höjd, H 25
    Bredd, B 25
    Höjd, H1 25
    Längd, L1 150
    Längd, LH 32
    Format, skär CN..X1207..
    Invändig kylning/ Kylkanal NEJ
    Skärskruv, nyckelgrepp Insex 4mm
    Produktfamilj Kendex™ • C-Style Clamping • For Kendex Style Inserts
    Artikelnummer CCLNR2525M12-MX7
    Beställningsnummer 1260025