• Snabba leveranser
  • Teknisk Support
  • Brett Sortiment
Favoriter Registrera kundkonto Logga In Kontakta oss

Kennametal

Artikelnr: CSBPR2020K12

C Clamping Holder W20.0mm L12
Logga in för pris

Har du inte redan ett konto? Ansök om kundkonto

  • Beskrivning
  • Specifikation
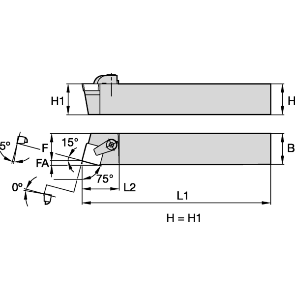
    Utförande/fattning R - Right
    Ställvinkel, Kr 75
    Låsning av skär, design C- Klamp för skär utan hål (Kendex)
    Skafttyp/Adapter Fyrkantsskaft
    Höjd, H 20
    Bredd, B 20
    Höjd, H1 20
    Längd, F 17
    Längd, FA 3.1
    Längd, L 125
    Längd, L1 125
    Längd, LH 30
    Vinkel, γO°
    Format, skär SP..1203..
    Invändig kylning/ Kylkanal NEJ
    Skärskruv, nyckelgrepp Insex 4mm
    Produktfamilj Kendex™ • C-Style Clamping • For Kendex Style Inserts
    Artikelnummer CSBPR2020K12
    Beställningsnummer 1097750