• Snabba leveranser
  • Teknisk Support
  • Brett Sortiment
Favoriter Registrera kundkonto Logga In Kontakta oss
P
M
K
N
S

Kennametal

Artikelnr: DFSP145R3WD20M

BORR 14.5MM 3xD IK WD DrillFIX DFSP
EAN-kod:: 4050841400886
Logga in för pris

Har du inte redan ett konto? Ansök om kundkonto

  • Beskrivning
  • Specifikation
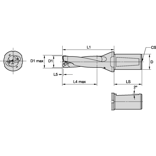
    Håldiameter, D1 14.5
    Diameter max, D1 max 14.5
    Max borrdjup, L4 max 43.5
    Max borrdjup, ratio 3 x D
    Skaft/Adapter, typ Whistle Notch
    Skaftdiameter, D 20
    Längd, L1 67.5
    Längd, L5 0.37
    Skaftlängd, LS 45
    Antal effektiva skär, ZU 1 st
    Passande skär, inre DFTX202..
    Passande skär, yttre SPGX0502..
    Totalt antal skär, Z 2
    Invändig kylning/ Kylkanal Ja
    Produktfamilj DrillFIX DFSP
    Artikelnummer DFSP145R3WD20M
    Beställningsnummer 5689631