• Snabba leveranser
  • Teknisk Support
  • Brett Sortiment
Favoriter Registrera kundkonto Logga In Kontakta oss
P
K

Kennametal

Artikelnr: KRR6610K40

ANSI/ISO Turning Insert KR..
Antal i förpackning: 5 st
Logga in för pris

Har du inte redan ett konto? Ansök om kundkonto

  • Beskrivning
  • Specifikation
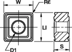
    Nosvinkel (°) 90
    Form S
    Radie, Rε/RC 4
    Maximalt skärdjup, Ap max 12.7
    Storlek, D (IC) 19.05
    Längd, L10 19.05
    Tjocklek, S 9.525
    Håldiameter, D1 7.95
    Utförande/fattning N - Neutral
    Format, skär KR..610K..
    Geometri KRR
    Wiper NEJ
    Sort K40
    Sort, beskrivning För grovsvarvning med låg skärhastighet i stål. Framförallt vid svåra förutsättningar och slag.
    ISO-område - applikation P20-40/ K5-20
    Beläggningsmetod Obelagd
    Beläggning Obelagd
    Skärmaterial Hårdmetall
    Enkelsidigt/dubbelsidigt Dubbelsidigt med geometri
    Antal skäreggar 8 st
    Produktfamilj Inserts
    Artikelnummer KRR6610K40
    Beställningsnummer 1157397