• Snabba leveranser
  • Teknisk Support
  • Brett Sortiment
Favoriter Registrera kundkonto Logga In Kontakta oss
P
M
K
N
S

Kennametal

Artikelnr: 7792VXP06SA020Z2R35S

7792VXP IC06 METRIC D20z2SCRE
Logga in för pris

Har du inte redan ett konto? Ansök om kundkonto

  • Beskrivning
  • Specifikation
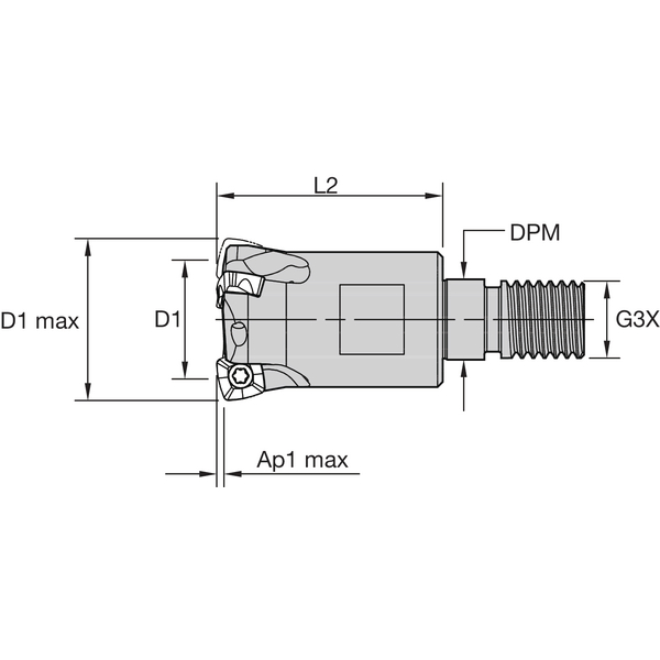
    Nominell diameter, Ø 20
    Diameter, D1 10.9
    Max diameter, D1 max 20
    Max skärdjup, Ap1 max 0.9
    Max radiellt skärdjup vid dykfräsning, AZ 3
    Ställvinkel, Kr 15
    Antal skär, Z 2
    Antal effektiva skär, ZU 2
    Valsfräs (ZU<Z) Nej
    Diameter, D 18
    Diameter, D2 18.9
    Diameter, DPM 10.5
    Längd, L 54
    Längd, L1 35
    Längd, L2/LBX 35
    Max varvtal, max RPM 57000
    Skärformat (Produktfamilj) XP..0603.. (7792 High-Feed)
    Max rampvinkel (°) 3.42
    Rotationsriktning R - Höger
    Skaft/Adapter, typ Fräsdorn, Screw-On
    Anslutning, G3X/CSMS M10
    Nyckelvidd, WF 15
    Invändig kylning/ Kylkanal Ja
    Produktfamilj 7792 High-Feed
    Artikelnummer 7792VXP06SA020Z2R35S
    Beställningsnummer 5665820